Οι φωτοβολταϊκοί μικρομετατροπείς γενικά αναφέρονται σε μετατροπείς σε φωτοβολταϊκά συστήματα παραγωγής ενέργειας με ισχύ μικρότερη από 4000 Watt και επίπεδο εξαρτημάτων MPPT, γνωστοί και ως μικροφωτοβολταϊκοί μετατροπείς συνδεδεμένοι στο δίκτυο.

Η αρχή λειτουργίας του μικρομετατροπέα:
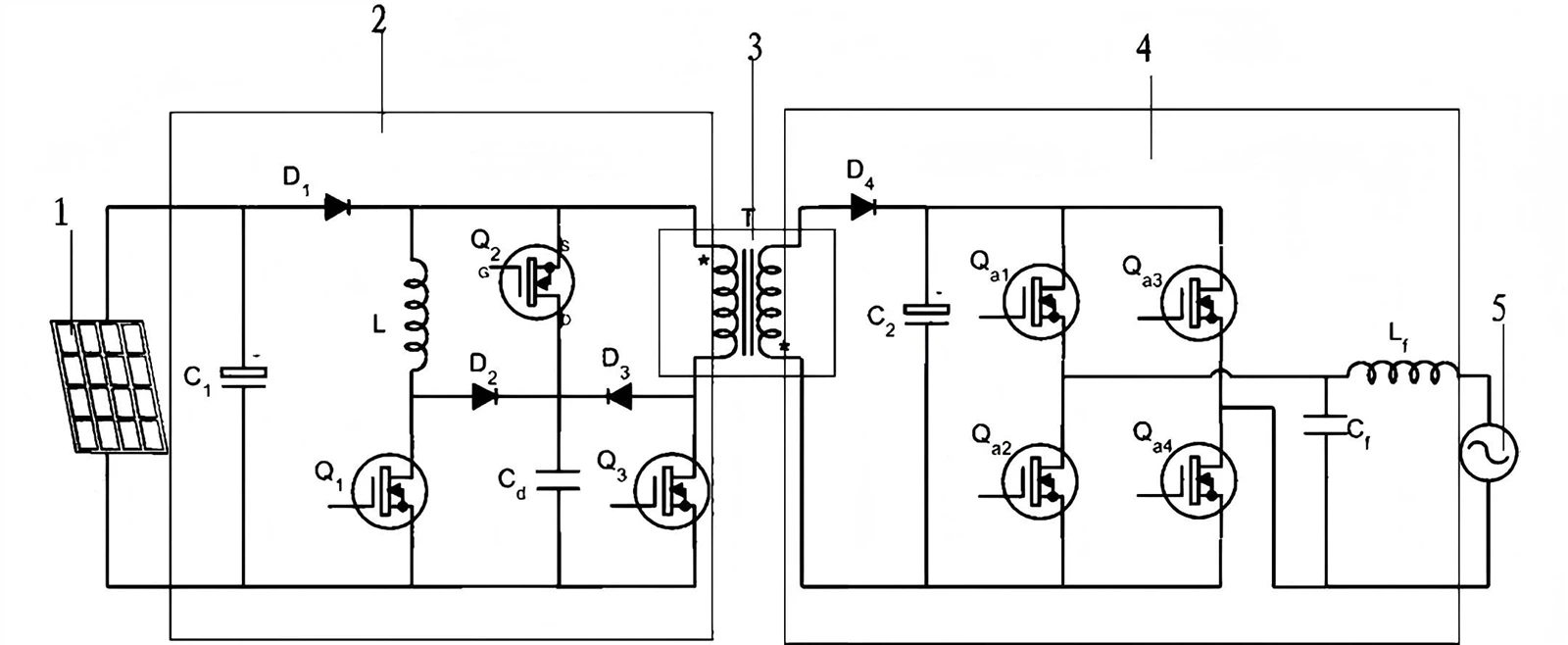
1. Είσοδος DC:Η ισχύς συνεχούς ρεύματος που παράγεται από τα φωτοβολταϊκά πάνελ μεταδίδεται στον μικρο μετατροπέα μέσω καλωδίων.
2. Μέγιστη παρακολούθηση σημείων ισχύος (MPPT):Οι μικρομετατροπείς συνήθως περιλαμβάνουν ένα MPPT που παρακολουθεί την τάση εξόδου και το ρεύμα του φωτοβολταϊκού πίνακα για να εξασφαλίσει την εξαγωγή της μέγιστης δυνατής ισχύος από τον πίνακα.
3. Μετατροπέας:Οι μικρο μετατροπείς μετατρέπουν την ηλεκτρική ενέργεια συνεχούς ρεύματος σε ηλεκτρική ενέργεια εναλλασσόμενου ρεύματος. Σε αυτή τη διαδικασία, πρέπει να προσαρμόσει την τάση και τη συχνότητα εξόδου ώστε να ταιριάζει με την τυπική τάση και συχνότητα του οικιακού ή εμπορικού δικτύου ηλεκτρικής ενέργειας.
4. Συγχρονισμός και σύνδεση δικτύου:Οι μικρο μετατροπείς πρέπει να διασφαλίζουν ότι η παραγόμενη ισχύς εναλλασσόμενου ρεύματος συγχρονίζεται με το δίκτυο και να διακόπτουν αυτόματα τη λειτουργία τους σε περίπτωση ασταθούς τάσης δικτύου ή διακοπής ρεύματος για να διασφαλιστεί η ασφάλεια.

Σε σύγκριση με τους παραδοσιακούς κεντρικούς μετατροπείς, οι μικρο μετατροπείς αντιστρέφουν κάθε εξάρτημα. Το πλεονέκτημά του είναι ότι μπορεί να ελέγχει ανεξάρτητα κάθε εξάρτημα με MPPT, το οποίο μπορεί να βελτιώσει σημαντικά τη συνολική απόδοση, αποφεύγοντας επίσης την υψηλή τάση συνεχούς ρεύματος, το φαινόμενο ασθενούς φωτός και το φαινόμενο κύλινδρος των κεντρικών μετατροπέων.

Ο συνδυασμός μικρο μετατροπέων και λειτουργιών επικοινωνίας μπορεί να χρησιμοποιηθεί για την παρακολούθηση της κατάστασης διαφόρων μονάδων και την ανίχνευση ελαττωματικών μονάδων. Όταν χρησιμοποιείται φωτοβολταϊκός σταθμός με τεχνολογία micro reverse, εάν ένα από τα ηλιακά πάνελ δεν μπορεί να λειτουργήσει σωστά, μόνο αυτό το πάνελ θα επηρεαστεί. Άλλα φωτοβολταϊκά πάνελ θα λειτουργούν στις βέλτιστες συνθήκες εργασίας τους, με αποτέλεσμα υψηλότερη συνολική απόδοση του συστήματος και μεγαλύτερη παραγωγή ενέργειας.
Σύμφωνα με τη μέθοδο σύνδεσης δικτύου, μπορεί να χωριστεί σε μικροαντίστροφη συνδεδεμένη στο δίκτυο και μικροαντίστροφη εκτός δικτύου.
Ανάλογα με την τάση εξόδου, χωρίζεται σε μονοφασικό μικρο μετατροπέα και τριφασικό μικρο μετατροπέα.
Οι μικρο μετατροπείς έχουν πολλά πλεονεκτήματα:
1. Οι παραδοσιακοί κεντρικοί μετατροπείς ή οι μετατροπείς στοιχειοσειρών για ασφάλεια έχουν συνήθως τάσεις συνεχούς ρεύματος που κυμαίνονται από αρκετές εκατοντάδες βολτ έως χιλιάδες βολτ, γεγονός που τους καθιστά επιρρεπείς στην ανάφλεξη και δύσκολο να σβήσουν όταν αναφλεγούν. Το Micro reverse έχει μόνο τάση συνεχούς ρεύματος μερικών δεκάδων βολτ, όλα συνδεδεμένα παράλληλα, ελαχιστοποιώντας τους κινδύνους ασφαλείας στο μέγιστο δυνατό βαθμό.
2. Έξυπνη παρακολούθηση επιπέδου εξαρτημάτων, όπου η κατάσταση λειτουργίας κάθε εξαρτήματος μπορεί να φανεί στην ECU.
3. Υψηλή απόδοση, MPPT με πολλαπλά εξαρτήματα παραγωγής ενέργειας, χωρίς αποτέλεσμα βαρελιού, μειώνοντας τον αντίκτυπο της απόφραξης στην παραγωγή ενέργειας.
Το εφέ ασθενούς φωτός είναι καλό επειδή η τάση εκκίνησης είναι χαμηλή, μόνο 20 V, και μπορεί επίσης να λειτουργήσει σε συνθήκες ασθενούς φωτός.
4. Η διάρκεια ζωής είναι συνήθως 25 χρόνια για το micro reverse design.
5. Βολικό και αισθητικά ευχάριστο, δεν απαιτεί την κατασκευή ειδικής αίθουσας διανομής. Ο μικρο μετατροπέας μπορεί να εγκατασταθεί απευθείας πίσω από τα εξαρτήματα ή στους βραχίονες. Καθώς πρόκειται για παράλληλη κατασκευή, μπορεί να εγκατασταθεί απευθείας όταν η κλίμακα αυξηθεί αργότερα χωρίς να αλλάξει η προηγούμενη διαμόρφωση.






